UCFC 211 (2)

Gối đỡ FK UCP205 Leave a comment

Trong các hệ thống truyền động công nghiệp, gối đỡ vòng bi là một trong những bộ phận quan trọng giúp đảm bảo trục quay hoạt động ổn định, chính xác và bền bỉ. Trong số các dòng sản phẩm phổ biến hiện nay, gối đỡ UCP205 của hãng FK được đánh giá cao nhờ độ bền, khả năng chịu tải tốt và tính linh hoạt trong lắp đặt. Đây là sản phẩm được ứng dụng rộng rãi trong nhiều ngành công nghiệp tại Việt Nam như chế biến thực phẩm, sản xuất vật liệu xây dựng, nông nghiệp và cơ khí chế tạo.


1. Tổng quan về gối đỡ FK UCP205

Gối đỡ UCP205 là dạng pillow block (gối đỡ chân đế), được thiết kế với phần thân đúc chắc chắn và tích hợp sẵn vòng bi cầu tự lựa UC205 bên trong. Sản phẩm của hãng FK nổi bật với chất lượng ổn định, giá thành hợp lý và phù hợp với điều kiện vận hành tại thị trường Việt Nam.

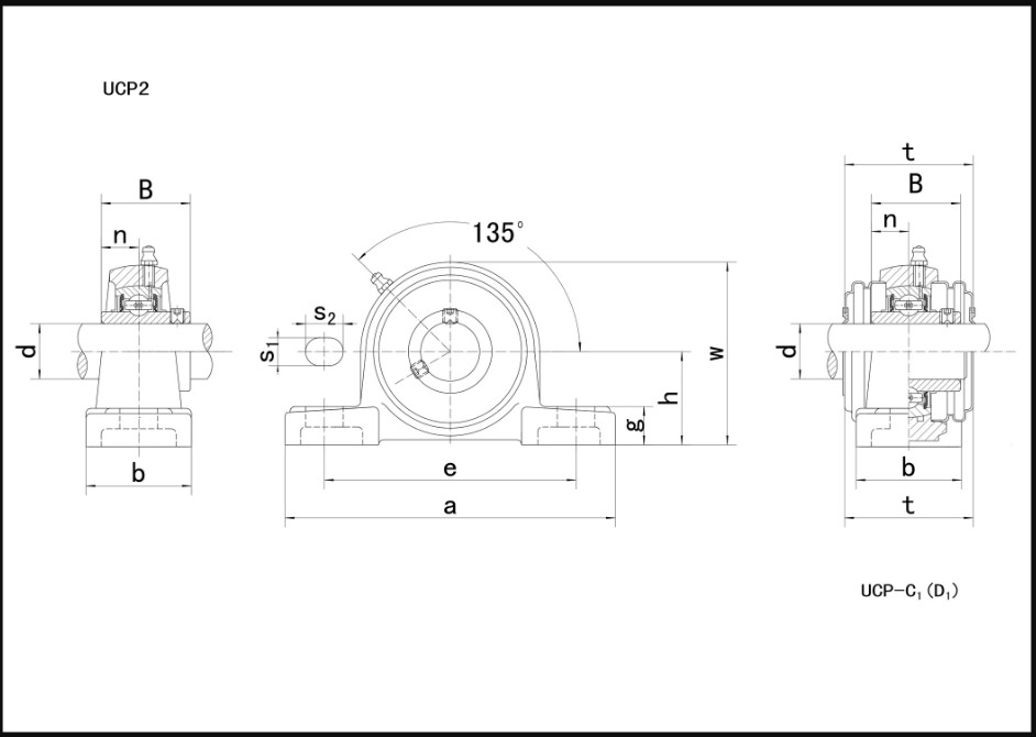
Cấu tạo của gối đỡ UCP205 bao gồm hai phần chính:

  • Thân gối (housing): Làm từ gang đúc chất lượng cao, có độ cứng và khả năng chịu lực tốt, thường được sơn tĩnh điện màu xanh đặc trưng để chống ăn mòn.
  • Vòng bi UC205: Là loại vòng bi cầu tự lựa, có khả năng tự cân chỉnh khi trục bị lệch nhẹ, giúp giảm rung động và tăng tuổi thọ thiết bị.

 


2. Thông số kỹ thuật cơ bản

Dưới đây là một số thông số tiêu chuẩn của gối đỡ FK UCP205

  • Đường kính trong (d): 25 mm
  • Khoảng cách tâm 2 lỗ bắt bu lông: e ~105 mm
  • Chiều cao tâm trục: h ~36.5 mm
  • Loại vòng bi: UC 205
  • Vật liệu: Gang đúc
  • Phương thức cố định trục: Vít chặn (set screw)
  • Nhiệt độ làm việc: -20°C đến ~120°C

Những thông số này giúp UCP205 trở thành lựa chọn lý tưởng cho các trục có đường kính 25mm – một kích thước rất phổ biến trong thực tế sản xuất.


3. Ưu điểm nổi bật của gối đỡ FK UCP205

3.1. Khả năng tự lựa tốt

Nhờ sử dụng vòng bi UC205 dạng cầu, gối đỡ có thể tự điều chỉnh khi trục bị lệch nhẹ trong quá trình lắp đặt hoặc vận hành. Điều này giúp giảm tải lên vòng bi và hạn chế hư hỏng sớm.

3.2. Dễ dàng lắp đặt

Thiết kế dạng chân đế với 2 lỗ bắt bu lông giúp việc lắp đặt nhanh chóng, không yêu cầu kỹ thuật quá cao. Người dùng chỉ cần cố định gối xuống bề mặt và siết chặt trục bằng vít chặn.

3.3. Độ bền cao

Thân gối bằng gang đúc có khả năng chịu lực và chống rung tốt. Bên cạnh đó, vòng bi FK được gia công chính xác, giúp vận hành êm ái và bền bỉ trong thời gian dài.

3.4. Khả năng làm việc trong môi trường khắc nghiệt

Gối đỡ FK UCP205 có thể hoạt động trong môi trường bụi bẩn, ẩm ướt nhờ có phớt chắn bụi hai bên vòng bi, giúp bảo vệ tốt phần bi và mỡ bôi trơn bên trong.

3.5. Giá thành hợp lý

So với các thương hiệu cao cấp như SKF, NSK hay NTN, FK mang đến giải pháp tiết kiệm chi phí nhưng vẫn đảm bảo hiệu suất làm việc ổn định.


4. Ứng dụng thực tế

Gối đỡ FK UCP205 được sử dụng rộng rãi trong nhiều lĩnh vực:

4.1. Ngành sản xuất công nghiệp

  • Băng tải vận chuyển hàng hóa
  • Máy đóng gói
  • Máy chế biến thực phẩm

4.2. Ngành nông nghiệp

  • Máy xay xát lúa gạo
  • Máy ép cám, máy trộn thức ăn chăn nuôi
  • Hệ thống quạt công nghiệp

4.3. Ngành cơ khí chế tạo

  • Máy tiện, máy phay
  • Hệ thống trục truyền động
  • Các thiết bị tự động hóa

Nhờ tính linh hoạt và độ bền cao, UCP205 có thể đáp ứng nhiều nhu cầu khác nhau từ quy mô nhỏ đến công nghiệp lớn.


5. Hướng dẫn lắp đặt và sử dụng

Để đảm bảo hiệu quả và tuổi thọ của gối đỡ, người dùng cần lưu ý:

5.1. Khi lắp đặt

  • Làm sạch bề mặt lắp đặt
  • Đảm bảo trục không bị cong vênh
  • Siết bu lông đều và chắc chắn
  • Căn chỉnh đồng tâm giữa các gối đỡ

5.2. Trong quá trình sử dụng

  • Kiểm tra định kỳ độ rung và tiếng ồn
  • Bổ sung mỡ bôi trơn nếu cần
  • Tránh để gối hoạt động quá tải hoặc quá nhiệt

6. So sánh với các dòng gối đỡ khác

So với các dòng như UCF (mặt bích vuông) hay UCFL (mặt bích oval), UCP205 có ưu điểm:

  • Dễ lắp đặt trên bề mặt phẳng
  • Phù hợp với nhiều kết cấu máy
  • Khả năng chịu tải tốt hơn trong một số ứng dụng ngang

Tuy nhiên, nếu không gian lắp đặt hạn chế hoặc yêu cầu đặc biệt, người dùng có thể cân nhắc các loại gối đỡ khác.


7. Nhận biết gối đỡ FK UCP205 chính hãng

Để tránh mua phải hàng giả, hàng kém chất lượng, bạn nên chú ý:

  • Logo FK được dập rõ nét trên thân gối
  • Bề mặt sơn đều, không bong tróc
  • Vòng bi quay êm, không có tiếng kêu lạ
  • Có đầy đủ bao bì và tem nhãn


8. Kết luận

Gối đỡ UCP205 hãng FK là một trong những lựa chọn đáng tin cậy cho các hệ thống truyền động hiện nay. Với thiết kế chắc chắn, khả năng tự lựa tốt, dễ lắp đặt và giá thành hợp lý, sản phẩm này đáp ứng hiệu quả nhu cầu của nhiều ngành công nghiệp tại Việt Nam.

Nếu bạn đang tìm kiếm một giải pháp vừa tiết kiệm chi phí vừa đảm bảo hiệu suất vận hành ổn định, thì UCP205 FK chắc chắn là một lựa chọn rất đáng cân nhắc.

Để được tư vấn và hỗ trợ về kỹ thuật vui lòng liên hệ:
Mr Dũng 0989.063460
Email: [email protected]
Web: https://ldtvn.com/

Để lại một bình luận

Email của bạn sẽ không được hiển thị công khai. Các trường bắt buộc được đánh dấu *

GIỎ HÀNG
close
Google Maps
Liên Hệ Qua Messenger
Liên Hệ Qua Zalo
Liên Hệ Qua Hotline